招标类型: 物资采购
发布日期:
截止时间:
距报名结束
下载PDF
招标公告
我司决定对建筑工程所用材料进行招标采购,请各有意向参与投标的公司进行准备,在规定时间内进行投标报价,若有疑问,请及时与我司联系。
序号 | 内容 | 说明与要求 |
1 | 招标人 | 烟台东泰物流有限公司 |
2 | 标的物名称 | 详见招标清单明细 |
3 | 联系人及方式 | 采购联系人:罗云超 电话:13371396172 技术联系人:董焕庆 电话:18805355885 |
4 | 供货地点 | 烟台市牟平区 |
5 | 发货次数 | 本次招标共计发货次数;4次 注:不超过发货次数不额外增加运费,超过发货次数后依据相关证明材料及双方共同商议结果结算运费。 |
6 | 质量标准 | 按国家或行业相关标准执行,如有标准冲突的以国家标准为准。 |
7 | 评标方式 | 采用低价中标的方式定标,进行两轮投标竞价,第一轮至少淘汰一名报价最高者,第二轮拟定一名中标人。如未达到招标文件里规定的招标轮次,剩余投标人即达到三名,此后轮次的招标不做淘汰,直至完成招标文件里规定的招标轮次。 |
8 | 付款方式 | 货到工地验收合格,发票送至买受人后20个工作日内付清,现款结算。 |
9 | 投标报价 及有效期 | 1.报价为综合单价,含税(13%)一票制。 2.中标通知书发布之日起15个工作日。 |
10 | 对投标人要求 | 1.持有合法营业执照的独立法人,具备生产或销售资质。 2.投标人在投标报名时须上传投标函(附件一)、廉洁合作承诺书(附件二)及投标保证金打款回执照片(需要缴纳时提供),务必按要求签字盖章。 |
11 | 投标保证金 含税控制价 | 1.投标保证金:无 2.含税控制价:15.11万元 |
12 | 投标保证金 收款账户 | 账号:37050166756000000080 单位名称:烟台东泰物流有限公司 开户行:中国建设银行股份有限公司烟台西南河支行 打款时备要注保证金的名称 |
13 | 警告 | 1.投标人须按照招标文件及相关招标附件内要求的质量标准进行报价,禁止出现质量标准下差、更换材料品牌和以此充好的行为。 2.投标人投标时须仔细核对报价及所报材料的品牌,开标后将不予调整。 3.投标人禁止出现中标后不供货的行为,须按期、按质、按量完成交货。 如投标人出现上述行为或同属行为,我公司将对存在此行为的投标人予以停止投标资格不少于3个月的处罚,情节严重的永久拉黑。 |
| 清单名称 | 规格/项目特征 | 品牌/厂家 | 单位 | 数量 | 控制价 | 控制总价 | 执行标准 | 实际验收标准 | 分批供货次数 | 首批进场日期 | 其它说明 |
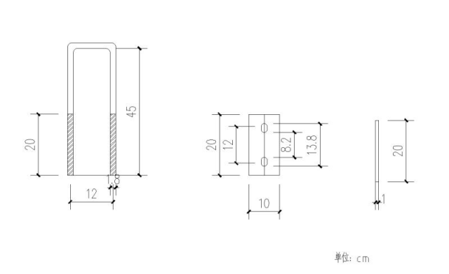
| U型螺栓 | 长45cm、宽12cm、直径18mm、割丝20cm 见详图 | 支 | 1200 | 23 | 27600 | GB/T 43653-2024 | GB/T 43653-2024 | 4 | 2026.1.27 | 钢号:HPB235 | |
| U型螺栓 | 配套压板(厚1cm)尺寸见详图 | 块 | 1200 | 30 | 36000 | GB/T 43653-2024 | GB/T 43653-2024 | 4 | 2026.1.27 | ||
| U型螺栓 | 配套螺母及垫片 | 套 | 4800 | 1.5 | 7200 | GB/T 43653-2024 | GB/T 43653-2024 | 4 | 2026.1.27 | ||
| 止水螺栓 | Ф14*700mm | 支 | 12000 | 4 | 48000 | JG/T 478-2015 | JG/T 478-2015 | 4 | 2026.1.27 | 三段式 | |
| 止水螺栓 | Ф14*1000mm | 支 | 400 | 6 | 2400 | JG/T 478-2015 | JG/T 478-2015 | 4 | 2026.1.27 | 三段式 | |
| 直螺纹保护帽 | φ20 | 套 | 3500 | 0.8 | 2800 | QC/T 343-2023 | QC/T 343-2023 | 4 | 2026.1.27 | ||
| 直螺纹保护帽 | φ22 | 套 | 3200 | 0.9 | 2880 | QC/T 343-2023 | QC/T 343-2023 | 4 | 2026.1.27 | ||
| 直螺纹保护帽 | φ25 | 套 | 2800 | 1.3 | 3640 | QC/T 343-2023 | QC/T 343-2023 | 4 | 2026.1.27 | ||
| 对拉螺栓堵头 | φ14 | 个 | 13190 | 0.5 | 6595 | JG/T 478-2015 | JG/T 478-2015 | 4 | 2026.1.27 | ||
| 角钢 | ∠30*3mm | 米 | 1000 | 6 | 6000 | YB/T 5309-2023 | YB/T 5309-2023 | 4 | 2026.1.27 | ||
| 角钢 | ∠50*3mm | 米 | 1000 | 8 | 8000 | YB/T 5309-2023 | YB/T 5309-2023 | 4 | 2026.1.27 |


